注意:访问本站需要Cookie和JavaScript支持!请设置您的浏览器! 打开购物车 查看留言付款方式联系我们
初中电子 单片机教材一 单片机教材二
搜索上次看见的商品或文章:
商品名、介绍 文章名、内容
首页 电子入门 学单片机 免费资源 下载中心 商品列表 象棋在线 在线绘图 加盟五一 加入收藏 设为首页
本站推荐:
光电控制电路
文章长度[602] 加入时间[2006/7/1] 更新时间[2026/2/2 23:43:39] 级别[3] [评论] [收藏]
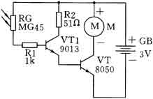
在光电自动控制电路中,可以选用光敏电阻器做为光电传感元件。通常光敏电阻器,例如MG45有光照射时的亮阻2~10kΩ,远大于偏置电阻器R的电阻值,显然不能产生维持VT饱和导通所需强度的基极电流。因此,需要先用一支三极管进行电流放大,再驱动开关三极管工作。
在新窗口打开查看!
  光电自动控制电路 见图。VT1和VT2接成类似复合管电路形式,VT1的发射极电流也是VT2的基极电流,R2既是VT1的负载电阻器又是VT2的基极限流电阻器。因此,当VT1基极输入微弱的电流(0.1mA),可以控制末级VT2较强电流——驱动电动机运转电流(500mA)的变化。VT1选用小功率NPN型硅管9013,hfe≈200。同前计算方法,维持两管同时饱和导通时VT1基极偏置电阻器R1约为3.3kΩ,减去光敏电阻器RG亮阻2kΩ,限流电阻器R1实取1kΩ。光敏传感器也可以采用光敏二极管,使用时要注意极性,光敏二极管的负极接供电电源正极。光敏二极管对控制光线有方向性选择,且灵敏度较高,也不会产生强光照射后的疲劳现象。

1、 本站不保证以上观点正确,就算是本站原创作品,本站也不保证内容正确。
2、如果您拥有本文版权,并且不想在本站转载,请书面通知本站立即删除并且向您公开道歉! 以上可能是本站收集或者转载的文章,本站可能没有文章中的元件或产品,如果您需要类似的商品请 点这里查看商品列表!
本站协议 | 版权信息 |  关于我们 |  本站地图 |  营业执照 |  发票说明 |  付款方式 |  联系方式
深圳市宝安区西乡五壹电子商行——粤ICP备16073394号-1;地址:深圳西乡河西四坊183号;邮编:518102
E-mail:51dz$163.com($改为@);Tel:(0755)27947428
工作时间:9:30-12:00和13:30-17:30和18:30-20:30,无人接听时可以再打手机13537585389