| 注意:访问本站需要Cookie和JavaScript支持!请设置您的浏览器! • 打开购物车 • 查看留言 • 付款方式 • 联系我们 |
![]() |
| 首页 | 电子入门 | 学单片机 | 免费资源 | 下载中心 | 商品列表 | 象棋在线 | 在线绘图 | 加盟五一 | 加入收藏 | 设为首页 |
| 选择分类:当前分类——常用资料 相关联或者相类似的文章: 74系列芯片资料 (11661) 怎样安装AT51编程板的USB转串口软件?(8206) 步进电机驱动(1422) 自制大功率高效逆变模块 (1399) 部分万用表电路图集(1197) 应用资料-数字电路IC全系列名称查询表(1136) 场效应管工作原理(1125) 什么是超级电容(1061) 可调型汽车蓄电池充电器 (1031) 全新最简纯绿的绘电路图软件(1008) 标准手机锂电池充电器(978) DC6V可充电应急灯电路(970) DS1302 涓流充电时钟保持芯片的原理与应用(940) 微型停电应急灯电路图里面的二极管(929) 常用运算放大器(929) 鉴别可控硅三个极的方法(926) ++ 高精度电压监视器 ++(917) ++ 555电路速查 ++(909) RS232C接脚与对连线(908) 单片机编码、解码2262(892) 首页 前页 后页 尾页 本站推荐: | LM324功能应用简介 每一组运算放大器可用图1所示的符号来表示,它有5个引出脚,其中“+”、“-”为两个信号输入端,“V+”、“V-”为正、负电源端,“Vo”为输出端。两个信号输入端中,Vi-(-)为反相输入端,表示运放输出端Vo的信号与该输入端的相位相反;Vi+(+)为同相输入端,表示运放输出端Vo的信号与该输入端的相位相同。LM324的引脚排列见图2。 图 1 图 2 由于LM324四运放电路具有电源电压范围宽,静态功耗小,可单电源使用,价格低廉等优点,因此被广泛应用在各种电路中。下面介绍其应用实例。 反相交流放大器 电路见附图。此放大器可代替晶体管进行交流放大,可用于扩音机前置放大等。电路无需调试。放大器采用单电源供电,由R1、R2组成1/2V+偏置,C1是消振电容。 放大器电压放大倍数Av仅由外接电阻Ri、Rf决定:Av=-Rf/Ri。负号表示输出信号与输入信号相位相反。按图中所给数值,Av=-10。此电路输入电阻为Ri。一般情况下先取Ri与信号源内阻相等,然后根据要求的放大倍数在选定Rf。Co和Ci为耦合电容。 同相交流放大器 见附图。同相交流放大器的特点是输入阻抗高。其中的R1、R2组成1/2V+分压电路,通过R3对运放进行偏置。
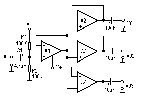
此电路可将输入交流信号分成三路输出,三路信号可分别用作指示、控制、分析等用途。而对信号源的影响极小。因运放Ai输入电阻高,运放A1-A4均把输出端直接接到负输入端,信号输入至正输入端,相当于同相放大状态时Rf=0的情况,故各放大器电压放大倍数均为1,与分立元件组成的射极跟随器作用相同。 电路的电压放大倍数Av也仅由外接电阻决定:Av=1+Rf/R4,电路输入电阻为R3。R4的阻值范围为几千欧姆到几十千欧姆。 R1、R2组成1/2V+偏置,静态时A1输出端电压为1/2V+,故运放A2-A4输出端亦为1/2V+,通过输入输出电容的隔直作用,取出交流信号,形成三路分配输出。 见附图。感温探头采用一只硅三极管3DG6,把它接成二极管形式。硅晶体管发射结电压的温度系数约为-2.5mV/℃,即温度每上升1度,发射结电压变会下降2.5mV。运放A1连接成同相直流放大形式,温度越高,晶体管BG1压降越小,运放A1同相输入端的电压就越低,输出端的电压也越低。 这是一个线性放大过程。在A1输出端接上测量或处理电路,便可对温度进行指示或进行其它自动控制。 有源带通滤波器 许多音响装置的频谱分析器均使用此电路作为带通滤波器,以选出各个不同频段的信号,在显示上利用发光二极管点亮的多少来指示出信号幅度的大小。这种有源带通滤波器的中心频率 ,在中心频率fo处的电压增益Ao=B3/2B1,品质因数 ,3dB带宽B=1/(п*R3*C)也可根据设计确定的Q、fo、Ao值,去求出带通滤波器的各元件参数值。R1=Q/(2пfoAoC),R2=Q/((2Q2-Ao)*2пfoC),R3=2Q/(2пfoC)。上式中,当fo=1KHz时,C取0.01Uf。此电路亦可用于一般的选频放大。
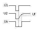
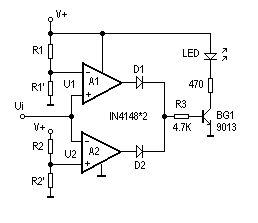
当去掉运放的反馈电阻时,或者说反馈电阻趋于无穷大时(即开环状态),理论上认为运放的开环放大倍数也为无穷大(实际上是很大,如LM324运放开环放大倍数为100dB,既10万倍)。此时运放便形成一个电压比较器,其输出如不是高电平(V+),就是低电平(V-或接地)。当正输入端电压高于负输入端电压时,运放输出低电平。 附图中使用两个运放组成一个电压上下限比较器,电阻R1、R1ˊ组成分压电路,为运放A1设定比较电平U1;电阻R2、R2ˊ组成分压电路,为运放A2设定比较电平U2。输入电压U1同时加到A1的正输入端和A2的负输入端之间,当Ui >U1时,运放A1输出高电平;当Ui <U2时,运放A2输出高电平。运放A1、A2只要有一个输出高电平,晶体管BG1就会导通,发光二极管LED就会点亮。 单稳态触发器 见附图1。此电路可用在一些自动控制系统中。电阻R1、R2组成分压电路,为运放A1负输入端提供偏置电压U1,作为比较电压基准。静态时,电容C1充电完毕,运放A1正输入端电压U2等于电源电压V+,故A1输出高电平。当输入电压Ui变为低电平时,二极管D1导通,电容C1通过D1迅速放电,使U2突然降至地电平,此时因为U1>U2,故运放A1输出低电平。当输入电压变高时,二极管D1截止,电源电压R3给电容C1充电,当C1上充电电压大于U1时,既U2>U1,A1输出又变为高电平,从而结束了一次单稳触发。显然,提高U1或增大R2、C1的数值,都会使单稳延时时间增长,反之则缩短。 图 1 图2 如果将二极管D1去掉,则此电路具有加电延时功能。刚加电时,U1>U2,运放A1输出低电平,随着电容C1不断充电,U2不断升高,当U2>U1时,A1输出才变为高电平。参考图2。 1、 本站不保证以上观点正确,就算是本站原创作品,本站也不保证内容正确。 2、如果您拥有本文版权,并且不想在本站转载,请书面通知本站立即删除并且向您公开道歉! |
|
本站协议 |
版权信息 |
关于我们 |
本站地图 |
营业执照 |
发票说明 |
付款方式 |
联系方式
深圳市宝安区西乡五壹电子商行——粤ICP备16073394号-1;地址:深圳西乡河西四坊183号;邮编:518102 E-mail:51dz$163.com($改为@);Tel:(0755)27947428 工作时间:9:30-12:00和13:30-17:30和18:30-20:30,无人接听时可以再打手机13537585389 |