注意:访问本站需要Cookie和JavaScript支持!请设置您的浏览器! 打开购物车 查看留言付款方式联系我们
初中电子 单片机教材一 单片机教材二
搜索上次看见的商品或文章:
商品名、介绍 文章名、内容
首页 电子入门 学单片机 免费资源 下载中心 商品列表 象棋在线 在线绘图 加盟五一 加入收藏 设为首页
本站推荐:
触摸开关五例
文章长度[2989] 加入时间[2007/1/4] 更新时间[2026/1/19 23:22:24] 级别[0] [评论] [收藏]

作者:未知 来源:电子技术天地

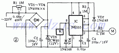
  图1和图2是采用555时基电路制作的双键触摸开关与单键触摸延迟开关。图1中M1是“开”触摸片,当人手触碰时,人体感应的杂波信号加到时基电路的低电平触发端IC的②脚,电路置位,③脚输出高电平,继电器K得电吸合,其常开触点闭合,被控电器通电工作。M2为“关”触摸片,一旦触碰,人体感应的杂波信号加到555的阈值端IC⑥,电路复位,③脚输出低电平,继电器失电跳闸,被控电器停止工作。


    图2是延迟开关电路,555集成块接成单稳态触发器,平时处于复位状态,继电器K不动作。当M受到触摸时,电路被触发进人暂态,③脚输出高电平,继电器K吸合,被控电器工作。暂态时间t=1.1R2 X C4,暂态时间结束,电路翻转成稳态,继电器K释放,被控电器停止工作。

    图3是一个电源电路采取特殊设计的用555时基电路制作而成的触摸开关,它对外仅两根引出线,因此可直接取代普通开关而不必更改电源布线。EL是不大于25W的白炽灯或交流接触器。虚线左部为普通照明线路,右部为触摸开关电路。IC处于复位状态时,③脚输出低电平,晶闸管VS的门极通过电阻R3被钳位在低电平,故VS关断,EL不亮,此时555的工作电源由220V交流电经灯EL、二极管VD1~VD4整流、电阻R2限流、VD5稳压与IC1滤波获得约6V直流工作电压供电。当 555时基电路②脚受触发处于置位时,IC③脚输出高电平,VS开通,EL点亮发光。VS开通后,555工作电源直接由灯EL、二极管VD1~VD4、晶闸管VS与稳压管VD5构成回路,C1两端仍能获得6V直流工作电压,只是此时电阻R2不起作用。

    电路的右部时基电路部分与图1相同,如将图2左部电源按图3改动,也可以方便地制  成一个对外只有两根引  出线的触摸延迟开关。  有一点需要特别注意的是本电路的负载能力是由VD1~VD4、VS及VD5共同决定的,其中薄弱环节是VD5,本电路VD5采用1W、6V的稳压管,其最大通态电流为0.16A,为确保电路可靠工作,EL宜用不大于25W的白炽灯。

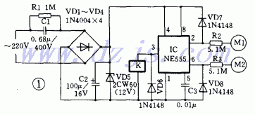
    图4是用双D触发器制作的触摸开关。CD4013是双D触发器,分别接成一个单稳态电路和一个双稳态电路。单稳态电路的作用是对触摸信号进行脉冲展宽整形,保证每次触摸动作都可靠。双稳态电路用来驱动晶闸管VS。当人手摸一下M,人体泄漏的交流电在电阻R2上的压降,其正半周信号进入③脚CP1端,使单稳态电路翻转进入暂态.其输出端Q1即①脚跳变为高电平,此高电平经R3向C1充电,使④  电位上升,当上升到复位电平时,单稳态电路复位,①脚恢复低电平。所以每触摸一次M,①脚就输出一个固定宽度的正脉冲。此正脉冲将直接加到11脚CP2端,使双稳态电路翻转一次,其输出端Q2即13脚电平就改变一次。当13脚为高电平时.VS开通,电灯EL点亮。这时电容C3两端的电压会跌落到3V左右,发光管VD6熄灭,由于CMOS电路的微功耗特点,所以集成块仍能正常工作。当13脚输出低电平时。VS失去触发电流,当交流电过零时即关断,EL熄灭。这时C3两端电压又恢复到VD5的稳压值12V,VD6发光用来指示开关的位置。由此可见,每触摸一次M,就能实现电灯“开” 或“关”,它对外也仅两根引出线,故安装与使用都十分方便。
    图5是一个采用一音乐门铃芯片KD-9300制作而成的触摸开关,电路新颖有趣。它巧妙地利用门铃芯片内部电路的功能,借助人体的泄漏电流去控制芯片内部的双稳态触发器。我们知道音乐集成电路具有极高的输入阻抗,当人手触碰“开”电极片M1时,人体的泄漏电流由R1注人音乐门铃芯片的触发端TR1,使芯片内部双稳态触发器翻转,以使整个门铃芯片呈现低电阻,三极管VT1导通,继电器K吸合,常开接点可接通被控电器。需要关闭电器时,只要触摸一下“关” 电极片M2,人体泄漏电流经R2注人芯片的Vss端,迫使集成块内部的双稳态触发器再次翻转,使整个芯片是现高电阻,VT进人截止态,K失电释放,被控电器断电。

    为确保安全,连接触摸电极片的电阻不得低于4.7MΩ的优质高阻值金属膜电阻器。

1、 本站不保证以上观点正确,就算是本站原创作品,本站也不保证内容正确。
2、如果您拥有本文版权,并且不想在本站转载,请书面通知本站立即删除并且向您公开道歉! 以上可能是本站收集或者转载的文章,本站可能没有文章中的元件或产品,如果您需要类似的商品请 点这里查看商品列表!
本站协议 | 版权信息 |  关于我们 |  本站地图 |  营业执照 |  发票说明 |  付款方式 |  联系方式
深圳市宝安区西乡五壹电子商行——粤ICP备16073394号-1;地址:深圳西乡河西四坊183号;邮编:518102
E-mail:51dz$163.com($改为@);Tel:(0755)27947428
工作时间:9:30-12:00和13:30-17:30和18:30-20:30,无人接听时可以再打手机13537585389