选择分类:当前分类——当前分类
本站推荐:
多用途DF无线数据收发模块
文章长度[9595] 加入时间[2006/7/1] 更新时间[2026/2/6 1:28:10] 级别[3] [评论] [收藏]





    无线数据传输广泛地运用在车辆监控、遥控、遥测、小型无线网络、无线抄表、门禁系统、小区传呼、工业数据采集系统、无线标签、身份识别、非接触RF智能卡、小型无线数据终端、安全防火系统、无线遥控系统、生物信号采集、水文气象监控、机器人控制、无线232数据通信、无线485/422数据通信、数字音频、数字图像传输等领域中。     


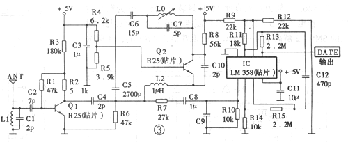
点击放大


这是DF发射模块,体积:22x22x8毫米,右边是等效电路图


主要技术指标:

1。通讯方式:调幅AM
2。工作频率:315MHZ (可以提供433MHZ,购货时请特别注明)
3。频率稳定度:±75KHZ
4。发射功率:≤500MW
5。静态电流:≤0.1UA
6。发射电流:3~50MA
7。工作电压:DC 3~12V


315M/433M发射模块 9元一个


   DF数据发射模块的工作频率为315M,采用声表谐振器SAW稳频,频率稳定度极高,当环境温度在-25~+85度之间变化时,频飘仅为3ppm/度。特别适合多发一收无线遥控及数据传输系统。声表谐振器的频率稳定度仅次于晶体,而一般的LC振荡器频率稳定度及一致性较差,即使采用高品质微调电容,温差变化及振动也很难保证已调好的频点不会发生偏移。

    DF发射模块未设编码集成电路,而增加了一只数据调制三极管Q1,这种结构使得它可以方便地和其它固定编码电路、滚动码电路及单片机接口,而不必考虑编码电路的工作电压和输出幅度信号值的大小。比如用PT2262或者SM5262等编码集成电路配接时,直接将它们的数据输出端第17脚接至DF数据模块的输入端即可。

    DF数据模块具有较宽的工作电压范围3~12V,当电压变化时发射频率基本不变,和发射模块配套的接收模块无需任何调整就能稳定地接收。当发射电压为3V时,空旷地传输距离约20~50米,发射功率较小,当电压5V时约100~200米,当电压9V时约300~500米,当发射电压为12V时,为最佳工作电压,具有较好的发射效果,发射电流约60毫安,空旷地传输距离700~800米,发射功率约500毫瓦。当电压大于l2V时功耗增大,有效发射功率不再明显提高。这套模块的特点是发射功率比较大,传输距离比较远,比较适合恶劣条件下进行通讯。天线最好选用25厘米长的导线,远距离传输时最好能够竖立起来,因为无线电信号传输时收很多因素的影响,所以一般实用距离只有标称距离的一半甚至更少,这点需要开发时注意。

    DF数据模块采用ASK方式调制,以降低功耗,当数据信号停止时发射电流降为零,数据信号与DF发射模块输入端可以用电阻或者直接连接而不能用电容耦合,否则DF发射模块将不能正常工作。数据电平应接近DF数据模块的实际工作电压,以获得较高的调制效果。

    DF发射发射模块最好能垂直安装在主板的边缘,应离开周围器件5mm以上,以免受分布参数影晌。DF模块的传输距离与调制信号頻率及幅度,发射电压及电池容量,发射天线,接收机的灵敏度,收发环境有关。一般在开阔区最大发射距离约800米,在有障碍的情况下,距离会缩短,由于无线电信号传输过程中的折射和反射会形成一些死区及不稳定区域,不同的收发环境会有不同的收发距离。

DF发射模块可以配两种接收模块组合使用


1。超再生式接模块

点击放大    超再生接收模块的体积:30x13x8毫米


这是DF超再生接收模块的电路图

主要技术指标:

1。通讯方式:调幅AM
2。工作频率:315MHZ(可以提供433MHZ,购货时请特别注明)
3。频率稳定度:±200KHZ
4。接收灵敏度:-106DBM
5。静态电流:≤5MA
6。工作电流:≤5MA
7。工作电压:DC 5V
8。输出方式:TTL电平

315M/433M超再生接收模块 9元一个

    DF接收模块的工作电压为5伏,静态电流4毫安,它为超再生接收电路,接收灵敏度为-105dbm,接收天线最好为25~30厘米的导线,最好能竖立起来。接收模块本身不带解码集成电路,因此接收电路仅是一种组件,只有应用在具体电路中进行二次开发才能发挥应有的作用,这种设计有很多优点,它可以和各种解码电路或者单片机配合,设计电路灵活方便。

这种电路的优点在于:
    1。天线输入端有选频电路,而不依赖1/4波长天线的选频作用,控制距离较近时可以剪短甚至去掉外接天线
    2。输出端的波形在没有信号比较干净,干扰信号为短暂的针状脉冲,而不象其它超再生接收电路会产生密集的噪声波形,所以抗干扰能力较强。
    3。DF模块自身辐射极小,加上电路模块背面网状接地铜箔的屏蔽作用,可以减少自身振荡的泄漏和外界干扰信号的侵入。
    4。采用带骨架的铜芯电感将频率调整到315M后封固,这与采用可调电容调整接收频率的电路相比,温度、湿度稳定性及抗机械振动性能都有极大改善。可调电容调整精度较低,只有3/4圈的调整范围,而可调电感可以做到多圈调整。可调电容调整完毕后无法封固,因为无论导体还是绝缘体,各种介质的靠近或侵入都会使电容的容量发生变化,进而影响接收频率。另外未经封固的可调电容在受到振动时定片和动片之间发生位移;温度变化时热胀冷缩会使定片和动片间距离改变;湿度变化因介质变化改变容量;长期工作在潮湿环境中还会因定片和动片的氧化改变容量,这些都会严重影响接收频率的稳定性,而采用可调电感就可解决这些问题,因为电感可以在调整完毕后进行封固,绝缘体封固剂不会使电感量发生变化。


2。超外差式RX3310接收模块


点击放大
超外差接收模块的体积:35x13x8毫米


主要技术指标:

1。通讯方式:调幅AM
2。工作频率:315MHZ(声表上标注为316.8)
(可以提供433MHZ,声表上标注为436,购货时请特别注明)
3。频率稳定度:±75KHZ
4。接收灵敏度:-102DBM
5。静态电流:≤5MA
6。工作电流:≤5MA
7。工作电压:DC 5V
8。输出方式:TTL电平

315M/433M超外差接收模块 14元一个

    这里提供的超外差接收模块采用进口高性能无线遥控及数传专用集成电路RX3310A,并且采用316.8M声表谐振器,所以工作稳定可靠,适合比较恶劣的环境下全天候工作。
    
RX3310A集成电路介绍:


    RX3310A是台湾HMARK公司生产的专门用于幅度键控ASK调制的无线遥控及数传信号的接收集成电路,内含低噪音高频放大、混频器、本机振荡、中频放大器、中频滤波器、比较器等,为一次变频超外差电路,双列18脚宽体贴片封装,主要技术指标如下:

工作频率:150~450MHZ
工作电压:2.7~6V
工作电流:2.6毫安(3V电源时)
接收灵敏度:-105DBM(1K数据速率而且天线匹配时)
最高数据速率:9.6KBPS

超外差接收芯片RX3310A使用开发资料


    

    从外接天线接收的信号经C8耦合到L3、C9组成的选频网络进行阻抗变换后输入RX3310的内部高频放大器输入端14脚,经芯片内的高频放大后(增益为15~20DB)的信号再经混频器与本机振荡信号(316.8M)混频,产生1.8M的中频信号,此中频信号经内部中频放大后由第3脚输出,再进入比较器放大整形,最后数据从第8脚输出。

    超外差接收机对天线的阻抗匹配要求较高,要求外接天线的阻抗必须是50欧姆的,否则对接收灵敏度有很大的影响,所以如果用1/4波长的普通导线时应为23厘米最佳,要尽可能减少天线根部到发射模块天线焊接处的引线长度,如果无法减小,可以用特性阻抗50欧姆的射频同轴电缆连接(天线焊点右侧有一个专门的接地焊点)


3。超外差RX3400接收模块





315M/433M 3400超外差接收模块 25元一个


    超外差RX3400接收模块的性能比RX3310的更高,主要是灵敏度更高达到-106DB,但是价格也贵很多,适合高要求的系统中。


4。高可靠高灵敏接收模块




315M/433M 高可靠高灵敏接收模块 30元一个


超再生和超外差接收机的性能区别:

    超再生和超外差电路性能各有优缺点,超再生接收机价格低廉,经济实惠,而且接收灵敏度高,但是缺点也很明显,那就是频率受温度漂移大,抗干扰能力差。超外差式接收机优点是频率稳定,抗干扰能力好,和单片机配合时性能比较稳定,缺点是灵敏度比超再生低,价格远高于超再生接收机,而且近距离强信号时可能有阻塞现象。


DF无线数传模块开发注意事项:


    DF模块必须用信号调制才能正常工作,常见的固定码编码器件如PT2262/2272,只要直接连接即可非常简单,因为是专用编码芯片,所以效果很好传输距离很远。


   模块输出脚在模块内部通过一个上拉39K 电阻到+5V,使用的时候需要考虑解码器件的输入阻抗。


    DF模块还有一种重要的用途就是配合单片机来实现数据通讯,这时有一定的技巧


1。合理的通讯速率


    DF数据模块的最大传输数据速率为9.6KBs,一般控制在2.5k左右,过高的数据速率会降低接收灵敏度及增大误码率甚至根本无法工作。


2。合理的信息码格式


    单片机和DF模块工作时,通常自己定义传输协议,不论用何种调制方式,所要传递的信息码格式都很重要,它将直接影响到数据的可靠收发。

    码组格式推荐方案

前导码+同步码+ 数据帧

    前导码长度应大于是10ms,以避开背景噪声,因为接收模块接收到的数据第一位极易被干扰(即零电平干扰)而引起接收到的数据错误。所以采用CPU编译码可在数据识别位前加一些乱码以抑制零电平干扰。

    同步码主要用于区别于前导码及数据。有一定的特征,好让软件能够通过一定的算法鉴别出同步码,同时对接收数据做好准备。


    数据帧不宜采用非归零码,更不能长0和长1。采用曼彻斯特编码或POCSAG码等,如下面的数据格式有一定检错功能:



3。单片机对接收模块的干扰

    单片机模拟2262时一般都很正常,然而单片机模拟2272解码时通常会发现遥控距离缩短很多,这是因为单片机的时钟频率的倍频都会对接收模块产生干扰,

    51系列单片机工作的时候,会产生比较强的电磁辐射,频率范围在9MHZ-900MHZ,因此它会影响任何此频率内的无线接收设备的灵敏度,解决的方法是尽量降低CPU 晶体的频率。测试表明:在1M晶体的辐射强度,只有12M晶体时的1/3,因此,如果把晶体频率选择在500K以下,可以有效降低CPU的辐射干扰。另外一个比较好的方法是:将接收模块通过一个3芯屏蔽电缆(地,+5V,DATA,屏蔽线的地线悬空)将模块引出到离开单片机2米以外,则不管51CPU使用那个频率的晶体,这种干扰就会基本消除。对于PIC单片机,则没有上述辐射干扰。可以任意使用。

    还可以改用频点较高的接收频率,如433MHz就可增加遥控距离,或者需要采用一些抗干扰措施来减小干扰。比如单片机和遥控接收电路分别用两个5伏电源供电,将DF接收板单独用一个78L05供电,单片机的时钟区远离DF接收模块,降低单片机的工作频率,中间加入屏蔽等。

    这里是用单片机模仿PT2272芯片解码的参考程序。


    这是PT2262/PT2272和51单片机的应用资料


    接收模块和51系列单片机接口时最好做一个隔离电路,能较好地遏制单片机对接收模块的电磁干扰。



    DF接收模块工作时一般输出的是高电平脉冲,不是直流电平,所以不能用万用表测试,调试时可用一个发光二极管串接一个3K的电阻来监测DF模块的输出状态。


   DF无线数据模块和PT2262/PT2272等专用编解码芯片使用时,连接很简单只要直接连接即可,传输距离比较理想,一般能达到600米以上,如果和单片机或者微机配合使用时,会受到单片机或者微机的时钟干扰,造成传输距离明显下降,一般实用距离在200米以内。

1、 本站不保证以上观点正确,就算是本站原创作品,本站也不保证内容正确。
2、如果您拥有本文版权,并且不想在本站转载,请书面通知本站立即删除并且向您公开道歉! 以上可能是本站收集或者转载的文章,本站可能没有文章中的元件或产品,如果您需要类似的商品请 点这里查看商品列表!