| 注意:访问本站需要Cookie和JavaScript支持!请设置您的浏览器! • 打开购物车 • 查看留言 • 付款方式 • 联系我们 |
![]() |
| 首页 | 电子入门 | 学单片机 | 免费资源 | 下载中心 | 商品列表 | 象棋在线 | 在线绘图 | 加盟五一 | 加入收藏 | 设为首页 |
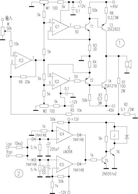
| 选择分类:当前分类——小说笑话 相关联或者相类似的文章: LA1816的应用(242) PROTEL多媒体教程简介(241) 自制跨步电压触电模拟装置(240) 最灵敏的感温元件----热敏电阻 (240) 带自锁功能的简易密码锁(231) 自制2.4GHz数字频率计(226) 收音机加装单边带解调器(221) 专利产品不可仿 一公司获赔7万元(220) 电击法消灭蟑螂实验(214) 温控器的编程 (214) 识破骗子嘴脸,防骗六大招(212) DHTML参考手册(一)(210) 人体感应自动开关(209) 一位科技人员的自述:我为什么逃离科研队伍(207) 电子制作:频率合成参考资料 (207) 一个电子钟的程序(206) 集成功放应用要点(202) 电路原理图设计软件和PCB设计软件(201) 带时间显示的电机正反转控制电路(200) TL494控制汽车音响逆变电源 (199) 首页 前页 后页 尾页 本站推荐: | 用运放驱动的高性能功放 2003年,第11期,类别:音响技术 本人设计了一款用运放驱动的简单实用功率放大器。传统运放驱动功放,因受运放电压的限制,功率难以做大。本功放采用电压转换电流方式直接驱动功放管进行功率放大,所以输出功率主要取决于末级功放管和功放电源,且扬声器无开/关机冲击声。全机没有加任何补偿电容,原汁原味,移相小。由于采用运放作恒流放大,所以很方便更换不同性能的运放,音色有更多的选择。 1、 本站不保证以上观点正确,就算是本站原创作品,本站也不保证内容正确。 2、如果您拥有本文版权,并且不想在本站转载,请书面通知本站立即删除并且向您公开道歉! |
|
本站协议 |
版权信息 |
关于我们 |
本站地图 |
营业执照 |
发票说明 |
付款方式 |
联系方式
深圳市宝安区西乡五壹电子商行——粤ICP备16073394号-1;地址:深圳西乡河西四坊183号;邮编:518102 E-mail:51dz$163.com($改为@);Tel:(0755)27947428 工作时间:9:30-12:00和13:30-17:30和18:30-20:30,无人接听时可以再打手机13537585389 |